+7 (912)-751-33-24Заказать звонок
Заказать звонок

Оставьте Ваше сообщение и контактные данные и наши специалисты свяжутся с Вами в ближайшее рабочее время для решения Вашего вопроса.

Ваш телефон
Ваш телефон*
Ваше имя
Ваше имя

* - Поля, обязательные для заполнения

Сообщение отправлено
Ваше сообщение успешно отправлено. В ближайшее время с Вами свяжется наш специалист
Закрыть окно
arbatex@list.ru
Каталог товаров
Подписка на новости магазина

Подпишитесь на рассылку и получайте свежие новости и акции нашего магазина.

Описание товара:

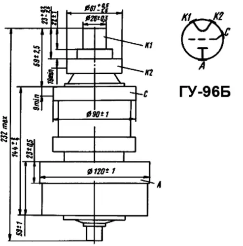
ГУ-96Б генераторный пентод относится к разделу электровакуумных приборов и ламп различного назначения. По конструкции генераторный пентод состоит из вакуумно-герметичной, жесткой оболочки, внутри которой отсутствует кислород.
2 руб. / шт Цена не является конечной и требует уточнения у менеджера.
В наличииВ наличии
Загрузка
Рассчитываем стоимость доставки
Пожалуйста подождите, рассчет займет немного времени

Описание товара

Описание ГУ-96Б


ГУ-96Б  генераторный пентод относится к разделу электровакуумных приборов и ламп различного назначения.  По конструкции  генераторный пентод состоит из вакуумно-герметичной, жесткой оболочки, внутри которой отсутствует кислород.

Параметры и характеристики ГУ-96Б:


ГУ-96Б

Генераторный тетрод ГУ-96Б предназначен для усиления высокочастотной мощности в стационарных радиотехнических устройствах широкого применения до 4 кВт на частотах до 85 МГц.

Катод - прямого накала.

Оформление - металлокерамическое.

Охлаждение - воздушное принудительное.

Масса не более 4,5 кг.


Основные технические параметры ГУ-96Б:
Напряженин накала

6 В

Ток накала

60-75 А

Ток анода

не менее 2,9 А

Напряжение запирания отрицательное, абсолютное значение

не более 130 В

Крутизна характеристики

20-28 мА/В

Межэлектродные ёмкости, пФ:

   - сетка - анод

не более 25

   - сетка - катод

не более 45

   - анод - катод

не более 1


Предельные эксплуатационные характеристики ГУ-96Б:
Наибольшее напряжение накала

6,3 В

Наибольший пусковой ток накала (амплитудное значение)

140 А

Наибольшее напряжение анода (постоянное):

   - при частоте 86-250 МГц

5 кВ

   - при частоте меньше 85 МГц

7 кВ

Наибольшая рассеиваемая мощность:

   - анодом

4 кВт

   - сеткой

200 Вт

Наибольшая рабочая частота

250 МГц

Температура оболочки (кроме анода)

175 °С

Температура анода

200 °С 


Добавить отзыв
Ваша оценка:
Отправить отзыв

Похожие товары (8)

2 руб. / шт Цена не является конечной и требует уточнения у менеджера.
В наличииВ наличии
ГУ-96Б генераторный пентод
Задать вопрос

Ваше имя*
Контактный телефон*
E-mail
Вопрос*

* - Поля, обязательные для заполнения

Сообщение отправлено
Ваше сообщение успешно отправлено. В ближайшее время с Вами свяжется наш специалист
Закрыть окно
Купить в один клик
Заполните данные для заказа
Запросить стоимость товара
Заполните данные для запроса цены
Запросить цену Запросить цену