+7 (912)-751-33-24Заказать звонок
Заказать звонок

Оставьте Ваше сообщение и контактные данные и наши специалисты свяжутся с Вами в ближайшее рабочее время для решения Вашего вопроса.

Ваш телефон
Ваш телефон*
Ваше имя
Ваше имя

* - Поля, обязательные для заполнения

Сообщение отправлено
Ваше сообщение успешно отправлено. В ближайшее время с Вами свяжется наш специалист
Закрыть окно
arbatex@list.ru
Каталог товаров
Подписка на новости магазина

Подпишитесь на рассылку и получайте свежие новости и акции нашего магазина.

Описание товара:

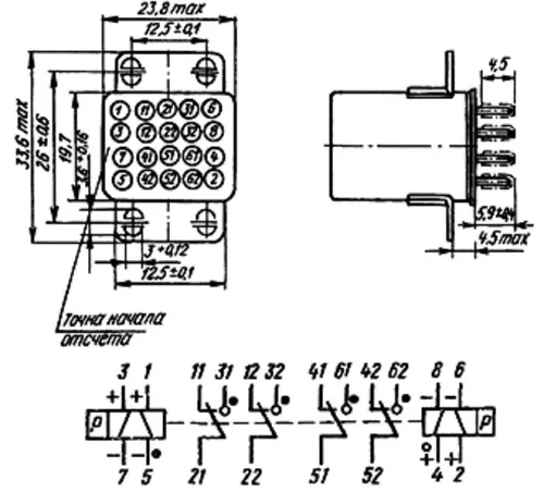
РПС-34Б РС4.520.241 реле герметичное, поляризованное, двустабильное, двухпозиционное, с четырьмя элементами на переключение, служит для замыкания и размыкания различных участков электрических цепей при заданных изменениях электрических или неэлектрических входных величин. реле применяется в различных областях приборостроения, радиоэлектронной промышленности и других сферах.
503.75 руб. / шт Цена не является конечной и требует уточнения у менеджера.
В наличииВ наличии
Загрузка
Рассчитываем стоимость доставки
Пожалуйста подождите, рассчет займет немного времени

Описание товара

Описание реле РПС-34Б РС4.520.241


РПС-34Б РС4.520.241 реле герметичное, поляризованное, двустабильное, двухпозиционное, с четырьмя элементами на переключение, служит для замыкания и размыкания различных участков электрических цепей при заданных изменениях электрических или неэлектрических входных величин. реле применяется в различных областях приборостроения, радиоэлектронной промышленности и других сферах.

Параметры и характеристики реле РПС-34Б РС4.520.241:


Реле РПС-34Б РС4.520.241 герметичное, поляризованное, двустабильное, двухпозиционное, с четырьмя элементами на переключение, предназначено для коммутации цепей постоянного и переменного тока частотой до 10 кГц.
Реле РПС-34А, РПС-34Б соответствует требованиям ГОСТ 16121-86 и техническим условиям ЯЛ0.452.079ТУ.

Технические характеристики:
Ток питания - постоянный.
Сопротивление изоляции между токоведущими элементами, между токоведущими элементами и корпусом, МОм, не менее:
  - в нормальных климатических условиях (обмотки обесточены) - 200
  - при максимальной температуре (после выдержки обмотки под рабочим напряжением) - 20
  - в условиях повышенной влажности - 10
Испытательное переменное напряжение между токоведущими элементами, между токоведущими элементами и корпусом, В:
  - при нормальных климатических условиях - 500
  - в условиях повышенной влажности - 300
  - при пониженном атмосферном давлении - 180
Масса реле РПС-34А не более 43 г, реле РПС-34Б - не более 45 г.
Минимальный срок службы и срок сохраняемости реле
  - при хранении в условиях отапливаемого хранилища, а также вмонтированных в защищенную аппаратуру или находящихся в комплекте ЗИП - 12 лет;
  - или при хранении в неотапливаемых хранилищах, в упаковке изготовителя или вмонтированных в аппаратуру в незащищенном объекте - 6 лет;
  - или при хранении под навесом, в упаковке изготовителя или вмонтированных в аппаратуру в незащищенном объекте - 3 года;
  - при хранении на открытой площадке, вмонтированных в аппаратуру в незащищенном объекте - 3 года.
Добавить отзыв
Ваша оценка:
Отправить отзыв

Похожие товары (8)

503.75 руб. / шт Цена не является конечной и требует уточнения у менеджера.
В наличииВ наличии
РПС34Б РС4.520.241
Задать вопрос

Ваше имя*
Контактный телефон*
E-mail
Вопрос*

* - Поля, обязательные для заполнения

Сообщение отправлено
Ваше сообщение успешно отправлено. В ближайшее время с Вами свяжется наш специалист
Закрыть окно
Купить в один клик
Заполните данные для заказа
Запросить стоимость товара
Заполните данные для запроса цены
Запросить цену Запросить цену