+7 (912)-751-33-24Заказать звонок
Заказать звонок

Оставьте Ваше сообщение и контактные данные и наши специалисты свяжутся с Вами в ближайшее рабочее время для решения Вашего вопроса.

Ваш телефон
Ваш телефон*
Ваше имя
Ваше имя

* - Поля, обязательные для заполнения

Сообщение отправлено
Ваше сообщение успешно отправлено. В ближайшее время с Вами свяжется наш специалист
Закрыть окно
arbatex@list.ru
Каталог товаров
Подписка на новости магазина

Подпишитесь на рассылку и получайте свежие новости и акции нашего магазина.

Описание товара:

Силовой модуль МТТ-250-11 применяется в выпрямительных мостах, в регуляторах переменного тока, для управления двигателем постоянного тока, электротехнической аппаратуре.
4 500 руб. / шт Цена не является конечной и требует уточнения у менеджера.
Загрузка
Рассчитываем стоимость доставки
Пожалуйста подождите, рассчет займет немного времени

Описание товара

Описание МТТ250-11


К преимуществам силового модуля МТТ-250-11 относят возможность компоновки в одном корпусе силовых кристаллов, систем управления и датчиков, что значительно повышает как эффективность использования пространства, так и универсальность самого узла.
У МТТ-250-11 силовые и управляющие выводы изолированы от металлического основания.
Также у силового модуля МТТ-250-11 тепло от элементов отводится через керамический изолятор и металлическое основание.
Применяется МТТ-250-11 в выпрямительных мостах, в регуляторах переменного тока, для управления двигателем постоянного тока, электротехнической аппаратуре.

Параметры и характеристики МТТ250-11


Модуль тиристорный низкочастотный.
Предназначен для работы в цепях переменного и постоянного тока различных силовых электротехнических установок при  частоте до 500 Гц.
Максимально допустимый средний ток в открытом состоянии - 250А
Повторяющееся импульсное обратное напряжение - 1100В
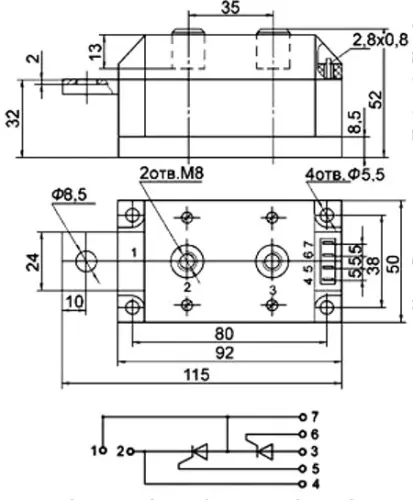
Длина - 115 мм
Ширина - 50 мм
Высота - 52 мм
Масса модуля - 800 г.

Добавить отзыв
Ваша оценка:
Отправить отзыв

Похожие товары (8)

4 500 руб. / шт Цена не является конечной и требует уточнения у менеджера.
МТТ250-11
Задать вопрос

Ваше имя*
Контактный телефон*
E-mail
Вопрос*

* - Поля, обязательные для заполнения

Сообщение отправлено
Ваше сообщение успешно отправлено. В ближайшее время с Вами свяжется наш специалист
Закрыть окно
Купить в один клик
Заполните данные для заказа
Запросить стоимость товара
Заполните данные для запроса цены
Запросить цену Запросить цену