+7 (912)-751-33-24Заказать звонок
Заказать звонок

Оставьте Ваше сообщение и контактные данные и наши специалисты свяжутся с Вами в ближайшее рабочее время для решения Вашего вопроса.

Ваш телефон
Ваш телефон*
Ваше имя
Ваше имя

* - Поля, обязательные для заполнения

Сообщение отправлено
Ваше сообщение успешно отправлено. В ближайшее время с Вами свяжется наш специалист
Закрыть окно
arbatex@list.ru
Каталог товаров
Подписка на новости магазина

Подпишитесь на рассылку и получайте свежие новости и акции нашего магазина.

Описание товара:

2Т112-10-8 - низкочастотный тиристор штыревого исполнения.
Предназначен для работы в преобразовательных устройствах, а также в цепях постоянного и переменного тока различных силовых установок.
180 руб. / шт Цена не является конечной и требует уточнения у менеджера.
В наличииВ наличии
Загрузка
Рассчитываем стоимость доставки
Пожалуйста подождите, рассчет займет немного времени

Описание товара

Описание


Тиристоры Т112, Т122, Т132, Т142 - штыревые тиристоры общего назначения, регулируют и преобразовывают постоянный и переменный ток до 80А частотой до 500Гц в цепях с напряжением 100В - 1600В.
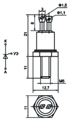
Типы корпусов тиристоров: ST1, ST2, ST3, ST4. «ST» означает «stud thyristor» - штыревой тиристор.
Основание тиристора является анодом, жесткий вывод - катодом.
Тиристоры собирают с охладителями при помощи резьбового соединения.
Чтобы электрические потери были минимальными, а отвод тепла максимальным, при сборке следует обеспечивать необходимый закручивающий момент, так называемое усилие зажатия.
Для лучшего отвода тепла тиристора при сборке используют теплопроводящую пасту КПТ-8, что не является обязательным условием монтажа.
Тиристоры могут изготавливаться для эксплуатации в умеренном, холодном и тропическом климате.
Тиристоры серий Т112, Т122, Т132, Т142 имеют следующие типономиналы: Т112-10, Т112-16, Т122-20, Т122-25, Т132-25, Т132-40, Т132-50, Т142-40, Т142-50, Т142-63, Т142-80.
Охлаждение воздушное естественное или принудительное.
Рекомендуемые охладители для тиристоров Т112: О111.
Обозначение типономинала и полярность выводов приводятся на корпусе.

Рекомендации по монтажу силовых тиристоров:


Надёжность теплоотдачи и электрического контакта между сопрягаемыми поверхностями тиристора и охладителя во всём диапазоне температур обеспечивается соответствующим закручивающим моментом.
Перед сборкой следует провести визуальный осмотр контактных поверхностей на наличие механических повреждений и протереть бязью, смоченной спиртом (толуолом, бензином, ацетоном).
Для улучшения параметров теплоотдачи перед сборкой сопрягаемые поверхности рекомендуется смазывать тонким слоем кремнеорганической теплопроводной пасты КПТ-8, что не является обязательным условием монтажа.
По окончании монтажа крепежные детали (гайки и шайбы) необходимо дополнительно обезопасить от воздействия коррозии.

Советы и рекомендации по эксплуатации силовых тиристоров:


Следует исключать возможность длительной эксплуатацию силовых тиристоров при их предельно допустимой нагрузке по всем параметрам.
При этом коэффициент запаса определяется необходимой степенью надежности устройства.
Замена вышедшего из строя силового тиристора осуществляется тиристором, параметры которого соответствуют параметрам заменяемого.
Процесс эксплуатации в среде с повышенным уровнем температурного режима должен сопровождаться принудительным охлаждением.
Для обеспечения нормальной теплоотводности рекомендуется периодическая очистка силовых тиристоров и охладителей от пыли и загрязнений.
Для выравнивания токов между параллельно соединенными силовыми тиристорами следует применять индуктивные делители тока (зачастую это тороидальный витой магнитопровод).
Наиболее популярные способы подключение: замкнутая цепь, схема с общим витком или с задающим тиристором. Эффективность делителей тока при этом определяется сечением магнитопровода.
Предотвращение разбаланса напряжений при последовательном соединении силовых тиристоров осуществляется применением шунтирующих резисторов, подключаемых параллельно каждому тиристору.
Выравнивание напряжения в переходных режимах обеспечивается параллельным подключением к каждому тиристору конденсаторов.

Параметры и характеристики


Максимально допустимый средний прямой ток в открытом состоянии - 10 А
Повторяющееся импульсное напряжение в закрытом состоянии и повторяющееся импульсное обратное напряжение - 800 В
Габаритные размеры:
- общая длина - 31 мм
- длина шпильки - 11 мм
- резьба - М5
Масса тиристора не более 6 г.

• Uобр макс - Максимальное постоянное обратное напряжение
• Uзс макс - Максимальное напряжение в закрытом состоянии
• Iос ср макс - Максимальный средний прямой ток
• Uос макс - Максимальное напряжение в открытом состоянии
• Uу нот - Неотпирающее постоянное напряжение управления
• Iзс макс - Максимальный постоянный ток в закрытом состоянии
• Iобр макс - Максимально допустимый постоянный обратный ток
• Iу от - Отпирающий постоянный ток управления
• Uу от - Отпирающее напряжение управления
• t вкл - Время включения
• t выкл - Время выключения
• T - Температура окружающей среды
Добавить отзыв
Ваша оценка:
Отправить отзыв

Похожие товары (8)

180 руб. / шт Цена не является конечной и требует уточнения у менеджера.
В наличииВ наличии
2Т112-10-8 тиристор
Задать вопрос

Ваше имя*
Контактный телефон*
E-mail
Вопрос*

* - Поля, обязательные для заполнения

Сообщение отправлено
Ваше сообщение успешно отправлено. В ближайшее время с Вами свяжется наш специалист
Закрыть окно
Купить в один клик
Заполните данные для заказа
Запросить стоимость товара
Заполните данные для запроса цены
Запросить цену Запросить цену